Heavy F12 Series semi-universal dividing head is one of the most important attachment for big milling machine. It can be used for simple indexing and dividing circle into any equal parts, etc.
|
ITEMS |
F12260 |
F12300 |
F12400 |
F12500 |
F121000 |
||
|
Center height mm |
260 |
300 |
400 |
500 |
1000 |
||
|
Swivel angle of spindle from horizontal to upward |
≤95° |
||||||
|
Horizontal position(downward) |
≤5° |
||||||
|
Rotating angle of spindle for one complete revolution of dividing handle |
9° |
||||||
|
Min. reading of vernier |
10” |
||||||
|
Worm gear ratio |
1:40 |
||||||
|
Taper of spindle bore |
MT6 |
MT6 |
MT6 |
MT5 |
MT5 |
||
|
Width of locating key mm |
18/20 |
18/20 |
18/20 |
22 |
22 |
||
|
Dia.of short taper of spindle nose for mounting flange mm |
Φ82.563 |
Φ82.563 |
Φ82.563 |
Φ106.375 |
Φ212.375 |
||
|
Numbers of hole in dividing plate |
1st plate |
24,25,28,30,34,37,38,39,41,42,43 |
|||||
|
2nd plate |
46,47,49,51,53,54,57,58,59,62,66 |
||||||
|
Individual indexing error of the spindle for one complete revolution of dividing handle |
80” |
80” |
80” |
500 |
1000 |
||
|
Cumulate error at any 1/4 periphery of spindle |
±70” |
±70” |
±70” |
|
±1” |
||
|
Max. bearing Kg |
380 |
380 |
380 |
100 |
500 |
||
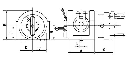
DIMENSIONAL SKETCH

ACCESSORIES:
1.Tailstock 2.Dividing plate 3.Flange 4.3-jaw chuck 5.Round Table(optional)