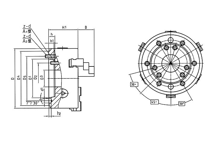
K11 SERIES THREE-JAW SELF-CENTERING CHUCK A2 TYPE
K11 series Direct Mounting Three-jaw Self-centering chuck adopt short-conical hole centering, which is accurate in centering,
easy to remove, convenient and reliable. A further three types are divided according to the way of joining with the rod of machine tool:
Type A (joined with screw), Type C (bolt locking joint), Type D (pull rod, cam locking joint
|
Mode1 |
D |
D1 |
D3 |
D4 |
D5 |
H1 |
h |
h1 |
h2 |
d1 |
Z-d |
|
K11200/A24 |
200 |
63.513 |
60 |
108 |
82.6 |
86 |
- |
10 |
6.5 |
14.7 |
3-M10 |
|
K11200A/A24 |
|||||||||||
|
K11250A28 |
250 |
139.719 |
130 |
210 |
171.4 |
105 |
18 |
14 |
8 |
24.2 |
6-M16 |
|
K11250A/A28 |
|||||||||||
|
K11400/A28 |
400 |
139.719 |
130 |
210 |
171.4 |
118 |
18 |
14 |
8 |
24.2 |
6-M16 |
|
K11400A/A28 |
|||||||||||
|
K11500A/A211 |
500 |
196.869 |
190 |
280 |
235 |
135 |
20 |
16 |
10 |
29.4 |
6-M20 |
|
K11630A/A211 |
630 |
196.869 |
190 |
280 |
235 |
160 |
20 |
16 |
10 |
29.4 |
6-M20 |
|
K11630A/A215 |
630 |
285.775 |
260 |
380 |
330.2 |
154 |
21 |
17 |
10 |
35.7 |
6-M24 |
|
K11800A/A215 |
800 |
285.775 |
280 |
380 |
330.2 |
180 |
21 |
17 |
10 |
35.7 |
6-M24 |
|
K11800A/A220 |
800 |
412.775 |
385 |
520 |
463.6 |
180 |
23 |
19 |
10 |
42.1 |
6-M24 |